Bi-directional Plastic Rotary Damper
PG-3AS
Torque can be customized as request.
Standard torque: 15 gf-cm.
Features
- Enable products with a smooth mechanical motion function.
- Protect delicate electronics and extend the life of product by slowing down the speed to prevent lid and access panel closure damage.
- Avoid noise during movement.
- High quality silicone oil sealing by ultrasonic tech, stable torque provided.
- Associate with push latch to up grade the value of products.
- Customized torque is accepted according to CUSTOMERS' request.
- Access panel cover,door for home appliance,such as TV,VCR and CD player,etc.
- Suitable for automobile ashtray and cup holder.
- Can be applied to drawer,sliding door,trash bin and small box of furniture.
Specification
- MATERIAL: ABS, POM
- COLOR: BLACK
- TORQUE VALUE CAN BE CUSTOMIZED PER CUSTOMERS' DEMAND
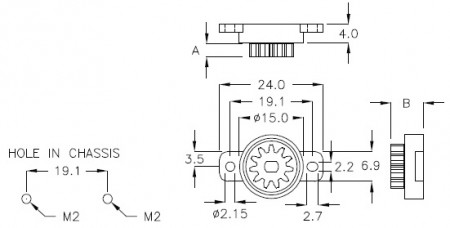
| PART NO | PITCH DIAMETER | MODULE | TOOTH NUMBER | PRESSURE ANGLE | A | B | TORQUE(gf-cm) | PACKAGE |
| PG-3AS | Ø8.8 | 0.8 | 11 | 20° | 3.0 | 7.5 | 15 | 500 |
| PG-3MS | Ø10.4 | 0.8 | 13 | 20° | 3.0 | 7.5 |
Application
- Plastic Rotary Dampers and plastic push latch are great combination which can be use on any panel cover or door of electronic devices, such as computer case, TV, DVD and CD player, etc. Plastic Rotary Dampers and plastic push latch can not only be applied on automobile such as sunglass and cup holder but small home devise such as drawer, sliding door, trash bin and any light weight furniture.
- Related Products
- Files Download
Press Release
IATF 16949:2016 CertifiedWe have passed the IATF 16949: 2016 certification, this certification represent that we are eligible for the automotive industry chain which require the rigorous management system and capabilities...
Read More
PINGOOD APP has been released on Android. IOSDownload Immediately.
Read More



