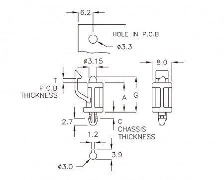
Spacer Support
LTZ-12HC
HEIGHT(A): 12.0mm
Please find the spec in the below chart for your reference. Spacer can be customized with MOQ.
Features
- Snap fit to joint PCB with chassis.
- Provides distance and space between Circuit board and chassis.
- Chassis mount end slides in.
- Easily removed for repairing or changing.
Specification
- MATERIAL: NYLON66 (UL)
- FLAME CLASS: 94V-2
- COLOR: NATURAL
| PART NO | A | G |
T P.C.B THICKNESS |
C CHASSIS THICKNESS |
PACKAGE |
| LTZ-12HC | 12.0 | 14.7 | 1.6 | 2.4 | 500 |
- Files Download
-
Press Release
-
IATF 16949:2016 CertifiedWe have passed the IATF 16949: 2016 certification, this certification represent that we are eligible for the automotive industry chain which require the rigorous management system and capabilities...
Read More -
PINGOOD APP has been released on Android. IOSDownload Immediately.
Read More


