Fan Snap Rivet
SR-20MK
Product Category: Plastic Fastener
*For fixing fan and is shockproof. Easy to be assembled.
Features
- Flat head design, snap and pull to assemble.
- No tool request while assembling.
- 1 Piece design with soft compound material (TPE), anti shock & vibration function.
Specification
- MATERIAL: TPE
- COLOR: BLACK
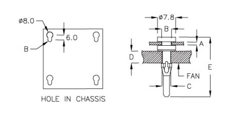
| PART NO | A CHASSIS THICKNESS | B HOLE IN CHASSIS | C HOLE IN FAN | D FAN CHASSIS THICKNESS | E | PACKAGE |
| SR-20MK | 1.6 | Ø4.1 | Ø3.6 | 5.5 | 25.7 | 2000 |
- Files Download
Press Release
IATF 16949:2016 CertifiedWe have passed the IATF 16949: 2016 certification, this certification represent that we are eligible for the automotive industry chain which require the rigorous management system and capabilities...
Read More
PINGOOD APP has been released on Android. IOSDownload Immediately.
Read More



