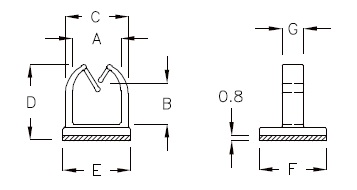
อานม้า
CAR-4A
คุณสมบัติ
- การออกแบบที่มีแผ่นกาวด้านหลัง ไม่มีการขอรูบนตัวถัง
- ใช้ในการติดสายไฟ
- รองรับการรวมสายไฟที่มีน้ำหนักเบา.
สเปค
- วัสดุ: NYLON66 (UL)
- ระดับเปลวไฟ: 94V-2
- สี: ธรรมชาติ
- เทปกาว: 3M
| หมายเลขชิ้นส่วน | A | B | C | ดี | E | F | G | แพ็คเกจ |
| CAR-4A | 4.5 | 3.6 | 7.0 | 8.25 | 9.4 | 9.4 | 2.0 | 2000 |
| CAR-9CD | 9.2 | 7.7 | 11.9 | 14.2 | 12.7 | 12.7 | 4.0 | 500 |
- ดาวน์โหลดไฟล์
-
ข่าวประชาสัมพันธ์
-
ได้รับการรับรอง IATF 16949:2016เราได้ผ่านการรับรอง IATF 16949: 2016 การรับรองนี้แสดงว่าเรามีคุณสมบัติสำหรับอุตสาหกรรมยานยนต์ซึ่งต้องการระบบการจัดการที่เข้มงวดและความสามารถในการจัดหาผลิตภัณฑ์ที่มีคุณภาพยอดเยี่ยม.
อ่านเพิ่มเติม -
PINGOOD แอปได้ถูกปล่อยออกมาใน Android และ IOSดาวน์โหลดทันที.
อ่านเพิ่มเติม


