ฝาครอบพัดลม | ผู้ผลิตอุปกรณ์ LED พลาสติก | PINGOOD

ฝาครอบพัดลม NBT-40 | PINGOOD ENTERPRISE CO., LTD เป็นผู้ผลิตชั้นนำที่มีความเชี่ยวชาญในชิ้นส่วนกลไกพลาสติกสำหรับลูกค้าทั่วโลกตั้งแต่ปี 1982.

ตัวรองรับ (SUP-23A)

ตัวรองรับ (SUP-23A)

จัดเตรียมพื้นที่และสนับสนุนระหว่างแผงวงจร เชื่อมต่อ PCB กับตัวถังและแผงอื่นๆ

มากกว่า
คลิปแคนู (MBT-06)

คลิปแคนู (MBT-06)

ออกแบบหัวแบน ประกอบง่าย

มากกว่า

ฝาครอบพัดลม | ผู้ผลิตอุปกรณ์ LED พลาสติก | PINGOOD

ตั้งอยู่ในไต้หวันตั้งแต่ปี 1982, PINGOOD ENTERPRISE CO., LTD. เป็นผู้ผลิตชิ้นส่วนกลไกพลาสติก.ชิ้นส่วนกลไกพลาสติกหลักของพวกเขาประกอบด้วย, ฝาครอบพัดลม, ตัวลดการหมุน, ล็อคกด, ตัวรองรับระยะ, อุปกรณ์ยึดพลาสติก, คลิปสายเคเบิลและการติดตั้งสายเคเบิล, ตัวขนส่งแสง LED และฮาร์ดแวร์แสง LED, บูชลดแรงดึง, ท่อแสง, ที่นั่งสายไฟ และเท้าซิลิโคนพลาสติก ซึ่งตรงตามมาตรฐาน RoHS, REACH พร้อมการตรวจสอบการปล่อยคาร์บอน/GHG ที่มีประสิทธิภาพ.

PINGOOD มุ่งเน้นไปที่การวิจัยและพัฒนาและการออกแบบนวัตกรรมโดยมีประสบการณ์มากกว่า 40 ปี ซึ่งสร้างส่วนประกอบที่หลากหลายสำหรับการใช้งานในคอมพิวเตอร์ อิเล็กทรอนิกส์ เครื่องจักรไฟฟ้า และผลิตภัณฑ์ที่เกี่ยวข้องกับยานยนต์.

PINGOOD ได้ให้บริการชิ้นส่วนพลาสติกที่ผ่านการกลึงคุณภาพสูงและฮาร์ดแวร์แก่ลูกค้า โดยทั้งการกลึง CNC ขั้นสูงและประสบการณ์ 40 ปี PINGOOD รับประกันว่าความต้องการของลูกค้าแต่ละรายจะได้รับการตอบสนอง.

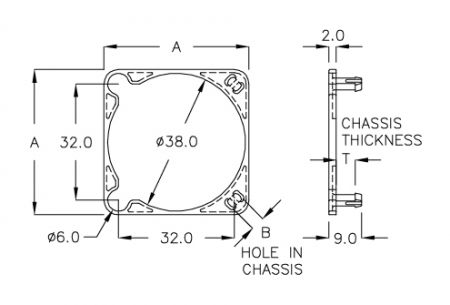
ฝาครอบพัดลม

NBT-40

ฝาครอบพัดลม NBT-40
ฝาครอบพัดลม NBT-40

*ฟังก์ชันนี้ใช้เพื่อป้องกันพัดลมระบายความร้อน.

คุณสมบัติ

  • ฝาครอบพัดลมที่ถือและยืนได้ด้วยความสูงเฉพาะ

สเปค

  • วัสดุ: PC(UL)
  • ระดับเปลวไฟ: 94V-0
  • สี: ดำ
หมายเลขชิ้นส่วนA

B

รูใน

ตัวถัง

ที

ตัวถัง

ความหนา

บรรจุภัณฑ์
NBT-4040.0Ø3.5

5.0

100
ดาวน์โหลดไฟล์


ข่าวประชาสัมพันธ์