LED-Gehäuse
2LED-3K
Eigenschaften
- LED-Lampe auf Leiterplatte aufstellen.
- LED mit Abstand von der Leiterplatte montieren.
- Geeignet für Ø3,2-polige LED-Lampe.
- Vertikale Montage für Zwillings-LED-Design.
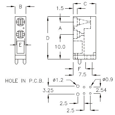
Spezifikation
- MATERIAL: NYLON66 (UL)
- FLAMMKLASSE: 94V-2
- FARBE: SCHWARZ
| FÜR Ø3 2PIN LED | |||||||
| TEILENR. | A | B | C | D | E | F | PAKET |
| 2LED-3K | 5.0 | 4.4 | 9.0 | 17.1 | Ø3.4 | 5.0 | 1000 |
- Dateien herunterladen
Pressemitteilung
IATF 16949:2016 ZertifiziertWir haben die IATF 16949: 2016-Zertifizierung bestanden, diese Zertifizierung zeigt, dass wir für die Automobilindustrie geeignet sind, die ein rigoroses Managementsystem und die Fähigkeit...
Weiterlesen
PINGOOD APP wurde auf Android veröffentlicht. IOSSofort herunterladen.
Weiterlesen



