Optische Faser Moont | Hersteller von Kunststoff-LED-Hardware | PINGOOD

Optische Faser Moont VVC-55F | PINGOOD ENTERPRISE CO., LTD ist ein führender Hersteller, der sich seit 1982 auf die Herstellung von Kunststoff-Mechanikkomponenten für weltweite Kunden spezialisiert hat.

Abstandhalterstütze (SUP-23A)

Abstandhalterstütze (SUP-23A)

Bietet Platz und Unterstützung zwischen Leiterplatten, verbindet PCB mit Chassis und anderen Platinen.

Mehr
Kanuclip (MBT-06)

Kanuclip (MBT-06)

Flachkopfdesign, einfache Montage.

Mehr

Optische Faser Moont | Hersteller von Kunststoff-LED-Hardware | PINGOOD

Seit 1982 mit Sitz in Taiwan ist PINGOOD ENTERPRISE CO., LTD. ein Hersteller von Kunststoff-Mechanikkomponenten.Ihre Hauptkunststoff-Mechanikteile umfassen Optische Faser Moont, Drehdämpfer, Druckverschlüsse, Abstandshalter, Kunststoffbefestigungen, Kabelklemmen und Kabelhalterungen, LED-Lichttransporter und LED-Licht-Hardware, Zugentlastungsbuchsen, Lichtleiter, Drahtsättel und Kunststoff-Silikon-Gummifüße, die den RoHS- und REACH-Standards entsprechen und eine effektive Kohlenstoff-/Treibhausgasemissionsüberprüfung aufweisen.

PINGOOD konzentriert sich auf Forschung und Entwicklung sowie innovative Gestaltung mit mehr als 40 Jahren Erfahrung, die eine breite Palette von Komponenten für den Einsatz in Computern, Elektronik, Elektromaschinen und Automobilprodukten erzeugt.

PINGOOD liefert seinen Kunden hochwertige bearbeitete Kunststoffteile und Hardware. Mit fortschrittlicher CNC-Bearbeitung und 40 Jahren Erfahrung stellt PINGOOD sicher, dass die Bedürfnisse jedes Kunden erfüllt werden.

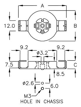
Optische Faser Moont

VVC-55F

Optische Faser Moont VVC-55F
Optische Faser Moont VVC-55F

Eigenschaften

  • festes Merkmalsset

Spezifikation

  • Material: Nylon 66 (UL)
  • FLAMMENKLASSE: 94V-2
  • FARBE: NATÜRLICH
TEILENR.ABCPAKET
VVC-55F

54,8

Ø35,09,5200
Dateien herunterladen


Pressemitteilung