Abstandshalter Unterstützung
LTN-8CK
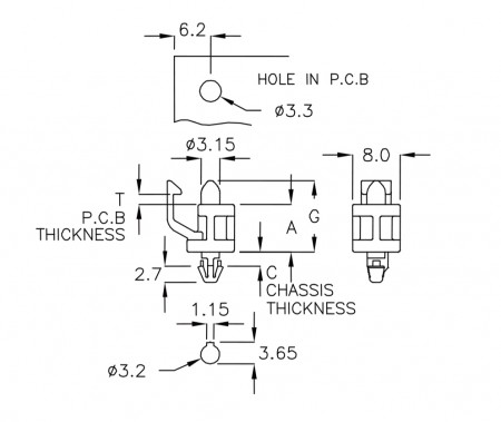
HÖHE(A): 8,0 mm
Bitte finden Sie die Spezifikationen in der untenstehenden Tabelle zur Ihrer Referenz. Der Spacer kann mit einer Mindestbestellmenge angepasst werden.
Spezifikation
- MATERIAL:NYLON66(UL)
- FLAMMENKLASSE:94V-2
- FARBE:NATÜRLICH
| TEIL-NR | A | G | T P.C.B DICKE | C FAHRGESTELL DICKE | VERPACKUNG |
| LTN-8CK | 8.0 | 12,0 | 1.6 | 2.2 | 1000 |
- Dateien herunterladen
Pressemitteilung
IATF 16949:2016 ZertifiziertWir haben die IATF 16949: 2016-Zertifizierung bestanden, diese Zertifizierung zeigt, dass wir für die Automobilindustrie geeignet sind, die ein rigoroses Managementsystem und die Fähigkeit...
Weiterlesen
PINGOOD APP wurde auf Android veröffentlicht. IOSSofort herunterladen.
Weiterlesen


