Abstandshalter Unterstützung
CYFJ-16A
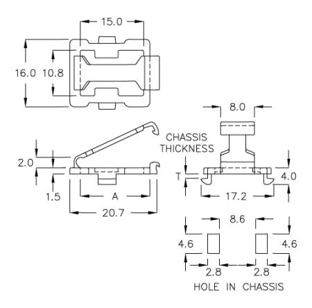
Eigenschaften
- Snap-Fit zum Anschließen der Leiterplatte an das Gehäuse.
- Bietet Abstand und Raum zwischen Leiterplatte und Gehäuse.
- Leicht zu entfernen für Reparaturen oder Austausch.
Spezifikation
- MATERIAL: NYLON 66(UL)
- FLAMMENKLASSE: 94V-2
- FARBE: SCHWARZ
| TEIL-NR | A | T GEHÄUSE DICKE | VERPACKUNG |
| CYFJ-16A | 16,5 | 0,8~1,0 | 200 |
- Dateien herunterladen
Pressemitteilung
IATF 16949:2016 ZertifiziertWir haben die IATF 16949: 2016-Zertifizierung bestanden, diese Zertifizierung zeigt, dass wir für die Automobilindustrie geeignet sind, die ein rigoroses Managementsystem und die Fähigkeit...
Weiterlesen
PINGOOD APP wurde auf Android veröffentlicht. IOSSofort herunterladen.
Weiterlesen



