Support de ventilateur en une seule pièce - Silicone
SRH-3M
Catégorie de produit : Attache en plastique
*Pour la fixation du ventilateur et est antichoc. Facile à assembler.
Fonctionnalités
- Conception à tête plate, assemblage et démontage faciles.
- Il suffit d'appuyer sur la tête des 2 rivets avec le doigt pour installer, la partie femelle s'étend pour se verrouiller en place.
- Aucun outil nécessaire pour l'assemblage.
- Conception à 2 pièces, matériau composite doux (TPE/TPR) de l'ensemble femelle, fonction anti-choc et anti-vibration.
Spécifications
- MATÉRIAU : SILICONE
- COULEUR : NOIR
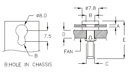
| NUMÉRO DE PIÈCE | A ÉPAISSEUR DU CHÂSSIS | B TROU DANS LE CHÂSSIS | C TROU DANS LE VENTILATEUR | D ÉPAISSEUR DU CHÂSSIS DU VENTILATEUR | E | EMBALLAGE |
| SRH-3M | 1.0 | Ø4.0 | Ø3.5 | 4.0 | 17.7 | 2000 |
- Téléchargement de fichiers
Communiqué de presse
Certifié IATF 16949 : 2016Nous avons obtenu la certification IATF 16949 : 2016, cette certification représente que nous sommes éligibles pour la chaîne de l'industrie automobile qui nécessite un système de gestion...
En Savoir Plus
L'application PINGOOD a été publiée sur Android. IOSTéléchargement immédiat.
En Savoir Plus



