Boîtier LED
QLT-6A
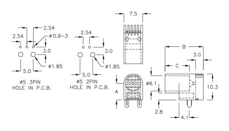
Fonctionnalités
- Lampe LED sur circuit imprimé.
- Coussinet LED avec distance par rapport au circuit imprimé.
- Convient pour les lampes LED Ø5,2,3 broches.
- Conception à angle droit avec pieds de montage.
Spécifications
- MATÉRIAU : NYLON66 (UL)
- CLASSE DE FLAMME : 94V-2
- COULEUR : NOIR
- FONCTION DE PINCE INTÉGRÉE
| POUR LED Ø5 2 BROCHES ET Ø5 3 BROCHES | ||||
| NUMÉRO DE PIÈCE | A | B | C | EMBALLAGE |
| QLT-6A | 6.55 | 14.0 | 8.6 | 500 |
| QLT-6C | 6.55 | 14.0 | 6.1 | |
- Téléchargement de fichiers
Communiqué de presse
Certifié IATF 16949 : 2016Nous avons obtenu la certification IATF 16949 : 2016, cette certification représente que nous sommes éligibles pour la chaîne de l'industrie automobile qui nécessite un système de gestion...
En Savoir Plus
L'application PINGOOD a été publiée sur Android. IOSTéléchargement immédiat.
En Savoir Plus



