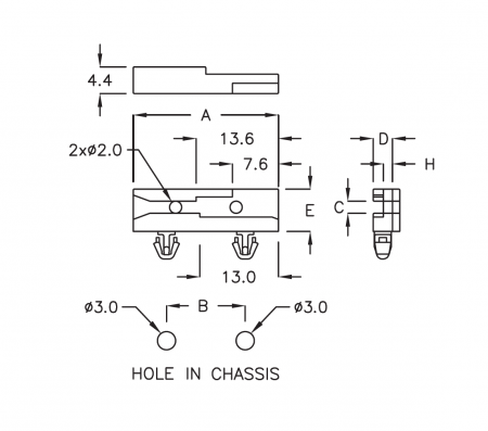
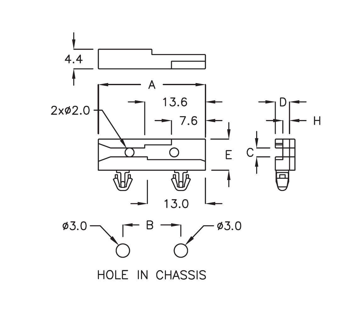
Rail de guidage PCB
CG-24TC
Caractéristiques
- Conception de goulot à double extrémité pour une insertion facile de la carte.
Spécifications
- MATÉRIAU : NYLON 66 (UL)
- CLASSE DE FLAMME : 94V-0/94V-2
- COULEUR : NATURELLE
| NUMÉRO DE PIÈCE | A | B | C | D | E | H | CHÂSSIS ÉPAISSEUR |
PAQUET |
| CG-24TC |
24,0
|
13,0 | 2,0 | 3,2 | 7,0 | 1,5 |
1,6
|
500
|
Communiqué de presse
-
Certifié IATF 16949 : 2016Nous avons obtenu la certification IATF 16949 : 2016, cette certification représente que nous sommes éligibles pour la chaîne de l'industrie automobile qui nécessite un système de gestion...
En Savoir Plus -
L'application PINGOOD a été publiée sur Android. IOSTéléchargement immédiat.
En Savoir Plus


