Edge Connect Base 固定座

Edge Connect Base 固定座MH-05C/品固集团成立已迈入四十年,深切了解永续经营的动力来自于不断创新,唯有不断的提供高品质及价格合理之产品,才能与客户共创双赢的事业优势。

PCB板间隔柱(SUP-23A)

PCB板间隔柱(SUP-23A)

板间隔柱用来支撑PC板,提供板间之距离及空间。

更多
铆钉(MBT-06)

铆钉(MBT-06)

平头设计,方便组装及拆除。

更多

品固 Edge Connect Base 固定座服务简介

品固企業股份有限公司是台湾一家拥有超过40年经验的专业Edge Connect Base 固定座生产制造服务商。 我们成立于西元1982年, 在电子、电脑、汽车等塑胶零组件领域上,品固提供专业高品质的Edge Connect Base 固定座制造服务,品固总是可以达成客户各种品质要求。

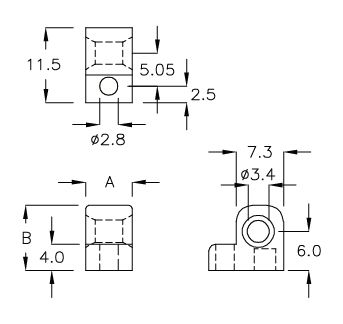
Edge Connect Base 固定座

MH-05C

Edge Connect Base 固定座MH-05C
Edge Connect Base 固定座MH-05C

产品特性

  • 螺丝组装固定

产品规格

  • MATERIAL: NYLON 66(UL)
  • FLAME CLASS: 94V-2
  • COLOR: NATURAL
PART NOABPACKAGE
MH-05C
7.2
10.0
1000
附件下载


活动讯息