Wire Clamp 压线座

Wire Clamp 压线座FS-05/品固集团成立已迈入四十年,深切了解永续经营的动力来自于不断创新,唯有不断的提供高品质及价格合理之产品,才能与客户共创双赢的事业优势。

PCB板间隔柱(SUP-23A)

PCB板间隔柱(SUP-23A)

板间隔柱用来支撑PC板,提供板间之距离及空间。

更多
铆钉(MBT-06)

铆钉(MBT-06)

平头设计,方便组装及拆除。

更多

品固 Wire Clamp 压线座服务简介

品固企業股份有限公司是台湾一家拥有超过40年经验的专业Wire Clamp 压线座生产制造服务商。 我们成立于西元1982年, 在电子、电脑、汽车等塑胶零组件领域上,品固提供专业高品质的Wire Clamp 压线座制造服务,品固总是可以达成客户各种品质要求。

Wire Clamp 压线座

FS-05

Wire Clamp 压线座FS-05
Wire Clamp 压线座FS-05

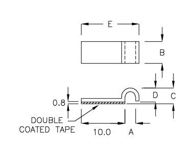
产品特性

  • 背胶式设计,板上无需钻孔
  • 用以固定线材
  • 适用最大2.4mm线径之单一线材
  • 背胶可依需求更换

产品规格

  • MATERIAL: NYLON66 (UL)
  • FLAME CLASS: 94V-2
  • COLOR: NATURAL
  • ADHESIVE TAPE: 3M
PART NO A B C D E PACKAGE
FS-05 2.4 5.0 4.1 3.2 13.2 2000
FS-12PT 1.5 5.0 3.2 2.4 12.3
附件下载


活动讯息