LED Holder Ø3, 2 pin LED座
2LED-3A
产品特性
- 使LED灯立于PC板上
- 垫高LED灯
- 适用3mm 2脚LED灯
- 双LED灯直列组装设计
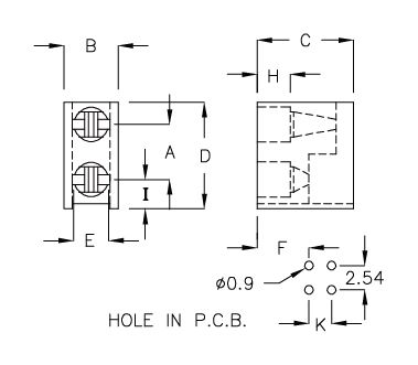
产品规格
- MATERIAL:NYLON66(UL)
- FLAME CLASS:94V-2
- COLOR:BLACK
| PART NO | A | B | C | D | E | F | H | I | K | SUITABLE LED | PACKAGE | 
| 2LED-3A | 5.0 | 4.4 | 8.8 | 9.7 | Ø3.2 | 5.2 | 2.0 | 2.7 | 2.5 | Ø3 2PIN | 1000 | 
| 2LED-3B | 5.0 | 5.0 | 8.9 | 9.8 | Ø3.2 | 5.2 | 3.0 | 2.7 | 2.5 | Ø3 2PIN | |
| 2LED-3C | 5.0 | 5.0 | 10.1 | 9.6 | Ø3.2 | 7.1 | 1.3 | 2.5 | 2.6 | Ø3 2PIN | |
| 2LED-3D | 5.0 | 4.4 | 9.0 | 9.8 | Ø3.4 | 5.45 | 1.5 | 2.6 | 2.55 | Ø3 2PIN | |
| 2LED-3E | 5.0 | 4.4 | 9.0 | 9.8 | Ø3.4 | 5.45 | 2.0 | 2.6 | 2.55 | Ø3 2PIN | |
| 2LED-3P | 6.0 | 4.4 | 9.7 | 13.5 | Ø3.3 | 6.2 | 2.0 | 5.0 | 2.55 | Ø3 2PIN | 
- 附件下载
 




 
 

