LED Housing Ø3, 2 pin LED座

LED Housing Ø3,2pin LED座LMD-5A/品固集团成立已迈入四十年,深切了解永续经营的动力来自于不断创新,唯有不断的提供高品质及价格合理之产品,才能与客户共创双赢的事业优势。

PCB板间隔柱(SUP-23A)

PCB板间隔柱(SUP-23A)

板间隔柱用来支撑PC板,提供板间之距离及空间。

更多
铆钉(MBT-06)

铆钉(MBT-06)

平头设计,方便组装及拆除。

更多

品固 LED Housing Ø3, 2 pin LED座服务简介

品固企業股份有限公司是台湾一家拥有超过40年经验的专业LED Housing Ø3, 2 pin LED座生产制造服务商。 我们成立于西元1982年, 在电子、电脑、汽车等塑胶零组件领域上,品固提供专业高品质的LED Housing Ø3, 2 pin LED座制造服务,品固总是可以达成客户各种品质要求。

LED Housing Ø3, 2 pin LED座

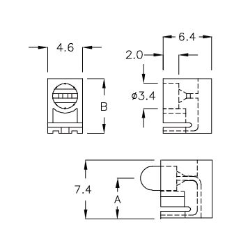
LMD-5A

LED Housing Ø3,2pin LED座LMD-5A
LED Housing Ø3,2pin LED座LMD-5A

产品特性

  • 使LED灯立于PC板上
  • 垫高LED灯
  • 适用3mm 2脚LED灯
  • 直角组装设计

产品规格

  • MATERIAL: NYLON66 (UL)
  • FLAME CLASS: 94V-2
  • COLOR: BLACK
FOR Ø3 2PIN LED
PART NOABPACKAGE
LMD-5A5.17.31000
附件下载


活动讯息