Push Latch Striker 扣具
DL-001
产品特性
- 搭配作动式扣具,适用于如电视,
- 录影机等产品的无把手的控制面板盖上,
- 按一下开启,再按一下关闭,
- 面板盖或门上不需有把手,
- 安装简易,不影响门盖之设计,
- 搭配阻尼器使用,可提升产品价值.
产品规格
- MATERIAL: NYLON 66 (UL)
- FLAME CLASS: 94V-2
- COLOR: BLACK
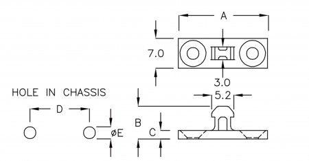
| PART NO | A | B | C | D | E | SUITABLE PG PUSH LATCH | PACKAGE | 
| DL-001 | 25.0 | 10.1 | 2.1 | 15.0 | 3.2 | DL-100B,DL-400D | 1000 | 
| DL-003 | 21.0 | 7.7 | 2.0 | 14.0 | 2.8 | DL-100C,DL-150C,DL-400D | 
- 附件下载
 




 
 

