Wire Saddle 隔离束线座

隔离束线座Wire Saddle CKMZ-17A/品固集团成立已迈入四十年,深切了解永续经营的动力来自于不断创新,唯有不断的提供高品质及价格合理之产品,才能与客户共创双赢的事业优势。

PCB板间隔柱(SUP-23A)

PCB板间隔柱(SUP-23A)

板间隔柱用来支撑PC板,提供板间之距离及空间。

更多
铆钉(MBT-06)

铆钉(MBT-06)

平头设计,方便组装及拆除。

更多

品固 Wire Saddle 隔离束线座服务简介

品固企業股份有限公司是台湾一家拥有超过40年经验的专业Wire Saddle 隔离束线座生产制造服务商。 我们成立于西元1982年, 在电子、电脑、汽车等塑胶零组件领域上,品固提供专业高品质的Wire Saddle 隔离束线座制造服务,品固总是可以达成客户各种品质要求。

Wire Saddle 隔离束线座

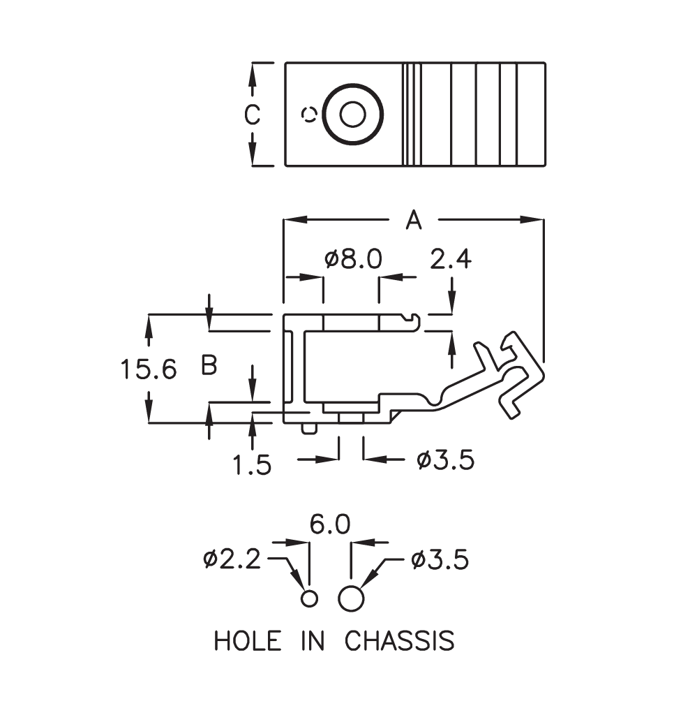
CKMZ-17A

隔离束线座Wire Saddle CKMZ-17A
隔离束线座Wire Saddle CKMZ-17A

产品特性

  • 固定电线

产品规格

  • MATERIAL: NYLON 66(UL)
  • FLAME CLASS: 94V-0/ 94V-2
  • COLOR: BLACK
  • WITH M3 SCREW
PART NOABCPACKAGE
CKMZ-17A
37.4
10.214.8
200

活动讯息