Yên dây
AB-20L
Đặc điểm
- Thiết kế có keo dán, không yêu cầu lỗ trên khung.
- Sử dụng để cố định dây.
- Hỗ trợ các bó dây nhẹ.
Thông số kỹ thuật
- VẬT LIỆU: NYLON66 (UL)
- LỚP LỬA: 94V-2
- MÀU SẮC: TỰ NHIÊN
- BĂNG DÍNH: 3M
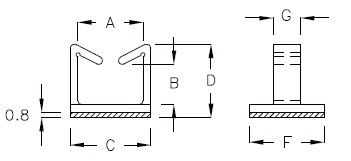
| SỐ HIỆU LINH KIỆN | A | B | C | D | F | G | GÓI |
AB-11SJ | 11,5 | 19,8 | 15,5 | 26,8 | 19,0 | 5,3 | 200 |
AB-20L | 16,5 | 10,2 | 20,5 | 18,2 | 18,9 | 7.0 | |
AB-20M | 6,8 | 14,0 | 10.0 | 20,0 | 20,0 | 5.0 | 500 |
- Tải xuống Tệp





