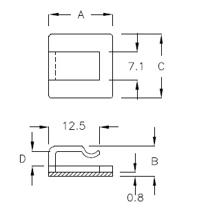
Soporte de cable
FDW-1
*Para fijar alambre.
Características
- Diseño con adhesivo en la parte posterior, sin solicitud de agujero en el chasis.
- Utilizar para fijar cables o alambres.
Especificación
- MATERIAL: NYLON66 (UL)
- CLASE DE LLAMA: 94V-2
- COLOR: NATURAL
- CINTA ADHESIVA: 3M
| NÚMERO DE PARTE | A | B | C | D | PAQUETE |
| FDW-1 | 16.0 | 7.3 | 16.0 | 3.7 | 500 |
- Descarga de archivos
Comunicado de Prensa
Certificado IATF 16949:2016Hemos pasado la certificación IATF 16949: 2016, esta certificación representa que somos elegibles para la cadena de la industria automotriz que requiere un sistema de gestión riguroso...
Leer Más
PINGOOD La aplicación ha sido lanzada en Android. IOSDescargar inmediatamente.
Leer Más



