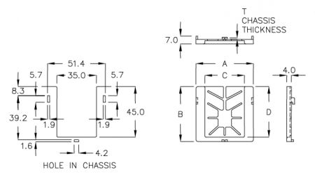
Yên Cạnh, Hình Vuông
USCF-51G
*Để bảo vệ cáp khỏi bị hư hại bởi tấm sắt. Hình dạng là hình vuông.
Tính năng
- Bảo vệ và cách nhiệt dây và cáp khỏi các cạnh của khung và khung.
- Dễ dàng trượt vào cách nhiệt.
- Phù hợp với dây nhỏ.
Thông số kỹ thuật
- VẬT LIỆU: TPE
- MÀU SẮC: ĐEN
| SỐ PHẦN | A | B | C | D | T THÂN MÁY ĐỘ DÀY | GÓI |
| USCF-51G | 51.0 | 49.0 | 35.0 | 45.0 | 1.0 | 200 |





