Fan snap đinh tán
SR-41Y
Danh mục sản phẩm: Phụ kiện nhựa
Đặc điểm
- Thiết kế đầu phẳng, bấm và kéo để lắp ráp.
- Không cần dụng cụ khi lắp ráp.
- Thiết kế 1 Piece bằng chất liệu mềm (TPE), chống sốc và chống rung.
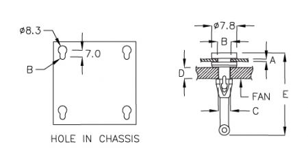
Thông số kỹ thuật
- VẬT LIỆU: SILICONE
- MÀU SẮC: ĐEN
| SỐ PHẦN | A KHUNG XE ĐỘ DÀY | B LỖ TRONG KHUNG XE | C LỖ TRONG QUẠT | D KHUNG QUẠT ĐỘ DÀY | E | GÓI HÀNG |
| SR-41Y | 1.0 | Ø4.0 | Ø4.0 | 4.0 | 25.5 | 2000 |
- Tải xuống Tệp





