Hỗ trợ Spacer
SHB-10AC
Tính năng
- Bo mạch mạch nối với khung chassi.
- Cung cấp khoảng cách, không gian và hỗ trợ giữa bo mạch và chassi.
- Thiết kế gắn vít, cung cấp sức mạnh cực kỳ để cố định bo mạch trên chassi.
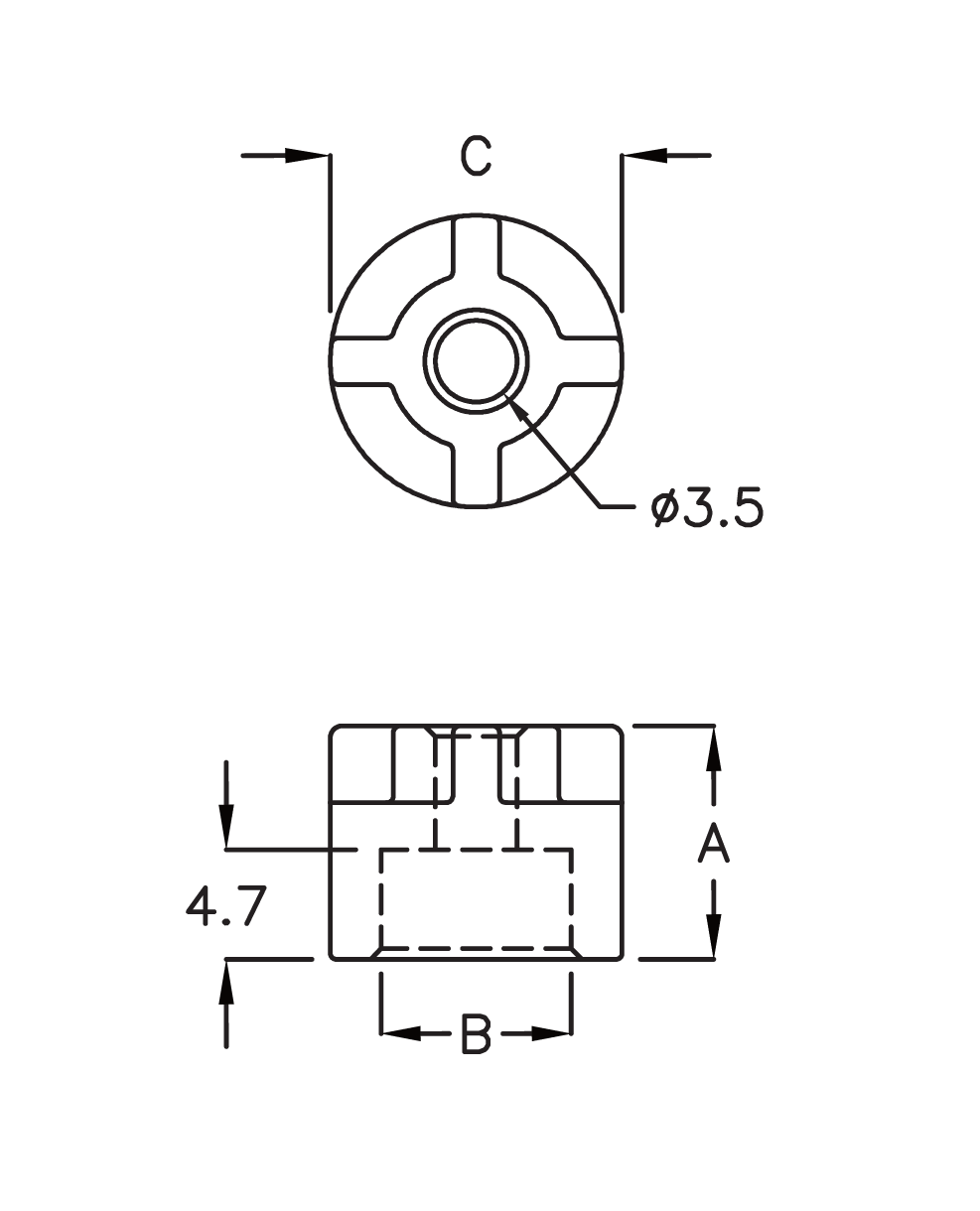
Thông số kỹ thuật
- VẬT LIỆU: NYLON66 (UL)
- LỚP LỬA: 94V-0/94V-2
- MÀU:SỌC ĐEN
| SỐ PHẦN | A | B | C | GÓI |
SHB-10AC | 10.0 | Ø7.85 | Ø12.5 | 1000 |





