Hỗ trợ Spacer | Nhà sản xuất phần cứng LED nhựa | PINGOOD

Giá đỡ Spacer LTRC-18 | PINGOOD ENTERPRISE CÔNG TY TNHH là một nhà sản xuất hàng đầu chuyên nghiệp đã chuyên về các thành phần cơ khí nhựa cho khách hàng trên toàn thế giới từ năm 1982.

Hỗ trợ giữa (SUP-23A)

Hỗ trợ giữa (SUP-23A)

Tạo không gian và hỗ trợ giữa các bo mạch, nối PCB với khung và bo mạch khác.

Hơn
Kẹp thuyền kayak (MBT-06)

Kẹp thuyền kayak (MBT-06)

Thiết kế đầu phẳng, dễ lắp ráp.

Hơn

Hỗ trợ Spacer | Nhà sản xuất phần cứng LED nhựa | PINGOOD

Đặt trụ sở tại Đài Loan từ năm 1982, PINGOOD ENTERPRISE CO., LTD. đã là một nhà sản xuất các thành phần cơ khí nhựa.Các bộ phận cơ khí nhựa chính của họ bao gồm, Hỗ trợ Spacer, bộ giảm chấn quay, khóa nhấn, hỗ trợ giữ khoảng cách, khóa nhựa, kẹp cáp và giá đỡ cáp, bộ vận chuyển đèn LED và phụ kiện đèn LED, ống chống nhiễu, ống dẫn sáng, ốc bu lông và chân cao su nhựa silicone, đáp ứng tiêu chuẩn RoHS, REACH với xác minh hiệu quả về khí thải carbon/GHG.

PINGOOD đang tập trung vào nghiên cứu và phát triển cùng với thiết kế sáng tạo với hơn 40 năm kinh nghiệm, tạo ra một loạt các linh kiện cho ứng dụng trong máy tính, điện tử, máy móc điện và các sản phẩm liên quan đến ô tô.

PINGOOD đã cung cấp cho khách hàng của mình các bộ phận nhựa gia công chất lượng cao và phần cứng, cả hai đều được gia công CNC tiên tiến và với 40 năm kinh nghiệm, PINGOOD đảm bảo rằng mọi nhu cầu của từng khách hàng đều được đáp ứng.

Hỗ trợ Spacer

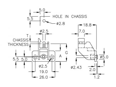
LTRC-18

Giá đỡ Spacer LTRC-18
Giá đỡ Spacer LTRC-18

Đặc điểm

  • Gắn khít vào khớp PCB với khung máy.
  • Cung cấp khoảng cách và không gian giữa bo mạch và khung máy.
  • Dễ dàng tháo ra để sửa chữa hoặc thay đổi.

Thông số kỹ thuật

  • VẬT LIỆU: ABS+PC(UL)
  • LỚP LỬA: 94V-0
  • MÀU SẮC: ĐEN
SỐ PHẦNAG

T

THÂN MÁY

ĐỘ DÀY

GÓI
LTRC-1812.018.01.8500
Tải xuống Tệp


Thông cáo báo chí