Hỗ trợ Spacer
AG-16
Tính năng
- Bo mạch mạch nối với khung chassi.
- Cung cấp khoảng cách, không gian và hỗ trợ giữa bo mạch và chassi.
- Thiết kế gắn vít, cung cấp sức mạnh cực kỳ để cố định bo mạch trên chassi.
Thông số kỹ thuật
- VẬT LIỆU: NYLON66 (UL)
- LỚP LỬA: 94V-0/94V-2
- MÀU SẮC: TỰ NHIÊN
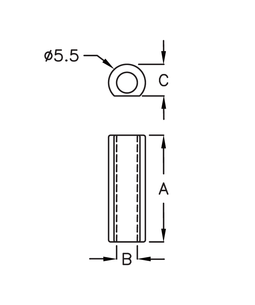
| SỐ PHẦN | A | B | C | GÓI |
| AG-16 | 16.0 | Ø3.1 | 4.8 | 2000 |





