Plastik Vida
S-302Y
Ürün Kategorisi: Plastik Bağlayıcı
Özellikler
- Sıkıştırma ve sabitleme işlevini yerine getirmek için.
- Altıgen gömülü soket baş tasarımı.
- Hafif ve ince malzeme uygulamaları için uygundur.
Özellikler
- MALZEME: POM (UL)
- ALEV SINIFI: 94HB
- RENK: SİYAH
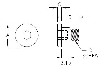
- D: VIDA
| PARÇA NO | A | B | C | D | PAKET |
S-302Y | Ø5.85 | 4.35 | 1.0 | M3 | 2000 |
- Dosyaları İndir
Basın Bülteni
IATF 16949:2016 SertifikalıIATF 16949: 2016 sertifikasını geçtik, bu sertifika otomotiv endüstrisi zinciri için uygun olduğumuzu temsil eder ve bu, titiz yönetim sistemi ve mükemmel kalite ürünleri sağlama...
Devamını Oku
PINGOOD Uygulaması Android'de yayımlandı. IOSHemen indirin.
Devamını Oku



