Plastik Vida | Plastik LED Donanım Üreticisi | PINGOOD

S-304F Plastik Vida | PINGOOD ENTERPRISE CO., LTD, 1982 yılından beri dünya çapındaki müşteriler için plastik mekanik bileşenlerde uzmanlaşmış profesyonel önde gelen bir üreticidir.

Desteğe Dayalı Mafsallı Parça (SUP-23A)

Desteğe Dayalı Mafsallı Parça (SUP-23A)

Devre kartları arasında boşluk ve destek sağlar, PCB'yi şase ve diğer kartlarla birleştirir.

Daha
Kano Klipsi (MBT-06)

Kano Klipsi (MBT-06)

Düz kafa tasarımı, kolay montaj.

Daha

Plastik Vida | Plastik LED Donanım Üreticisi | PINGOOD

1982 yılından beri Tayvan merkezli olan PINGOOD ENTERPRISE CO., LTD., plastik mekanik bileşenlerin üreticisidir.Ana plastik mekanik parçaları, Plastik Vida, döner amortisörler, itme mandallar, boşluk destekleri, plastik bağlantı elemanları, kablo kelepçeleri ve kablo montajları, LED ışık taşıyıcıları ve LED ışık donanımları, gerilim giderici burçlar, ışık boruları, tel kelepçeleri ve plastik silikon kauçuk ayakları içerir ve etkili karbon/GHG emisyon doğrulaması ile RoHS, REACH standartlarını karşılar.

PINGOOD, 40 yılı aşkın deneyimiyle bilgisayar, elektronik, elektrikli makineler ve otomotivle ilgili ürünler için geniş bir bileşen yelpazesi üretmek için AR-GE ve yenilikçi tasarıma odaklanmaktadır.

PINGOOD, gelişmiş CNC işleme ile yüksek kaliteli işlenmiş plastik parçalar ve donanım sağlamaktadır ve 40 yıllık deneyimle her müşterinin ihtiyaçlarını karşılamayı garanti eder.

Plastik Vida

S-304F

Ürün Kategorisi: Plastik Bağlantı Elemanı

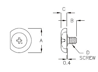
S-304F Plastik Vida
S-304F Plastik Vida

Özellikler

  • Sabitleme ve bağlama işlevini yerine getirmek için.
  • Elle sürün, alet gerektirmez.

Özellikler

  • MALZEME: PC (UL)
  • ALEV SINIFI: 94V-2
  • RENK: ŞEFFAF
  • D: VİDA
PARÇA NOABCDPAKET
S-304F
Ø11.0
4.45
2.5
M3
1000
Dosyaları İndir


Basın Bildirisi