Riel guía de PCB | Fabricante de hardware LED de plástico | PINGOOD

Guía de PCB CGZA-109R | PINGOOD ENTERPRISE CO., LTD es un fabricante líder profesional que se ha especializado en componentes mecánicos de plástico para clientes en todo el mundo desde 1982.

Soporte espaciador (SUP-23A)

Soporte espaciador (SUP-23A)

Proporciona espacio y soporte entre placas de circuito, une PCB con chasis y otras placas.

Más
Clip para canoa (MBT-06)

Clip para canoa (MBT-06)

Diseño de cabeza plana, fácil montaje.

Más

Riel guía de PCB | Fabricante de hardware LED de plástico | PINGOOD

Con sede en Taiwán desde 1982, PINGOOD ENTERPRISE CO., LTD. ha sido fabricante de componentes mecánicos de plástico.Sus principales piezas mecánicas de plástico incluyen, Riel guía de PCB, amortiguadores rotativos, pestillos de empuje, soportes espaciadores, sujetadores de plástico, abrazaderas de cables y soportes de cables, transportadores de luz LED y hardware de luz LED, casquillos de alivio de tensión, tubos de luz, abrazaderas de cables y pies de goma de silicona de plástico, que cumplen con las normas RoHS, REACH con verificación efectiva de emisiones de carbono/GHG.

PINGOOD se concentra en I+D y diseño innovador con más de 40 años de experiencia, lo que genera una amplia gama de componentes para su aplicación en productos relacionados con computadoras, electrónica, maquinaria eléctrica y automotriz.

PINGOOD ha estado proporcionando a sus clientes piezas de plástico mecanizadas y hardware de alta calidad, tanto con mecanizado CNC avanzado como con 40 años de experiencia, PINGOOD garantiza que se satisfagan las necesidades de cada cliente.

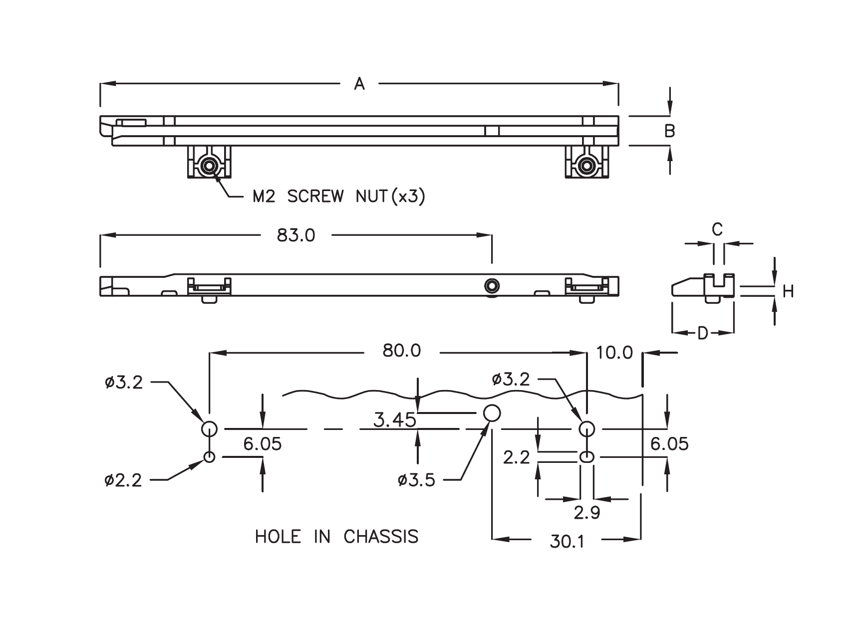
Riel guía de PCB

CGZA-109R

Guía de PCB CGZA-109R
Guía de PCB CGZA-109R

Características

  • Diseño de embudo de doble extremo para una fácil inserción de la placa.
  • Montaje a presión.

Especificación

  • MATERIAL: ABS+PC(UL)
  • CLASE DE LLAMA: 94V-0
  • COLOR: NEGRO
  • USAR TORNILLO M2
NÚMERO DE PARTE A B C D H PAQUETE
CGZA-109R
109.8
6.25
2.2
13.05
2.0
100

Comunicado de Prensa