Işık Borusu
LETD-6K
Özellikler
- Kontrol panelindeki LED lamba için bir kapak ve ışık taşıyıcı olarak çalışır.
- Ünitenin paneldeki deliğe kolayca takılmasıyla montaj yapılır.
- Yüksek ışık iletim yeteneği.
Özellikler
- MALZEME: PC(UL)
- ALEV SINIFI: 94V-2
- RENK: DOĞAL
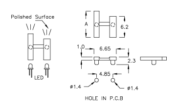
| PARÇA NO | A | P.C.B KALINLIK | PAKET |
| LETD-6K | 7.75 | 1.6 | 2000 |
- Dosyaları İndir
Basın Bildirisi
IATF 16949:2016 SertifikalıIATF 16949: 2016 sertifikasını geçtik, bu sertifika otomotiv endüstrisi zinciri için uygun olduğumuzu temsil eder ve bu, titiz yönetim sistemi ve mükemmel kalite ürünleri sağlama...
Devamını Oku
PINGOOD Uygulaması Android'de yayımlandı. IOSHemen indirin.
Devamını Oku


