E-Kapasitör Konutu | Plastik LED Donanım Üreticisi | PINGOOD

E-Cap Konut CWW-19AN | PINGOOD ENTERPRISE CO., LTD, 1982 yılından beri dünya çapındaki müşteriler için plastik mekanik bileşenlerde uzmanlaşmış profesyonel önde gelen bir üreticidir.

Desteğe Dayalı Mafsallı Parça (SUP-23A)

Desteğe Dayalı Mafsallı Parça (SUP-23A)

Devre kartları arasında boşluk ve destek sağlar, PCB'yi şase ve diğer kartlarla birleştirir.

Daha
Kano Klipsi (MBT-06)

Kano Klipsi (MBT-06)

Düz kafa tasarımı, kolay montaj.

Daha

E-Kapasitör Konutu | Plastik LED Donanım Üreticisi | PINGOOD

1982 yılından beri Tayvan merkezli olan PINGOOD ENTERPRISE CO., LTD., plastik mekanik bileşenlerin üreticisidir.Ana plastik mekanik parçaları, E-Kapasitör Konutu, döner amortisörler, itme mandallar, boşluk destekleri, plastik bağlantı elemanları, kablo kelepçeleri ve kablo montajları, LED ışık taşıyıcıları ve LED ışık donanımları, gerilim giderici burçlar, ışık boruları, tel kelepçeleri ve plastik silikon kauçuk ayakları içerir ve etkili karbon/GHG emisyon doğrulaması ile RoHS, REACH standartlarını karşılar.

PINGOOD, 40 yılı aşkın deneyimiyle bilgisayar, elektronik, elektrikli makineler ve otomotivle ilgili ürünler için geniş bir bileşen yelpazesi üretmek için AR-GE ve yenilikçi tasarıma odaklanmaktadır.

PINGOOD, gelişmiş CNC işleme ile yüksek kaliteli işlenmiş plastik parçalar ve donanım sağlamaktadır ve 40 yıllık deneyimle her müşterinin ihtiyaçlarını karşılamayı garanti eder.

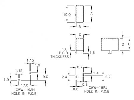
E-Kapasitör Konutu

CWW-19AN

E-Cap Konut CWW-19AN
E-Cap Konut CWW-19AN

*PCB üzerindeki sabit kapasitör.

Özellikler

  • E-Kapasitörü tutmak için

Özellikler

  • MALZEME: NYLON66 (UL)
  • ATEŞ SINIFI: 94V-0
  • RENK: SİYAH
PARÇA NO A B C D E PAKET
CWW-19AN 18.0 16.0 17.0 16.0 16.5 500
CWW-19PJ 18.0 7.7 8.7 13.3 13.8
Dosyaları İndir


Basın Bülteni