Toz Kapağı | Plastik LED Donanım Üreticisi | PINGOOD

Toz Kapağı HKA-20A | PINGOOD ENTERPRISE CO., LTD, 1982 yılından beri dünya çapındaki müşteriler için plastik mekanik bileşenlerde uzmanlaşmış profesyonel önde gelen bir üreticidir.

Desteğe Dayalı Mafsallı Parça (SUP-23A)

Desteğe Dayalı Mafsallı Parça (SUP-23A)

Devre kartları arasında boşluk ve destek sağlar, PCB'yi şase ve diğer kartlarla birleştirir.

Daha
Kano Klipsi (MBT-06)

Kano Klipsi (MBT-06)

Düz kafa tasarımı, kolay montaj.

Daha

Toz Kapağı | Plastik LED Donanım Üreticisi | PINGOOD

1982 yılından beri Tayvan merkezli olan PINGOOD ENTERPRISE CO., LTD., plastik mekanik bileşenlerin üreticisidir.Ana plastik mekanik parçaları, Toz Kapağı, döner amortisörler, itme mandallar, boşluk destekleri, plastik bağlantı elemanları, kablo kelepçeleri ve kablo montajları, LED ışık taşıyıcıları ve LED ışık donanımları, gerilim giderici burçlar, ışık boruları, tel kelepçeleri ve plastik silikon kauçuk ayakları içerir ve etkili karbon/GHG emisyon doğrulaması ile RoHS, REACH standartlarını karşılar.

PINGOOD, 40 yılı aşkın deneyimiyle bilgisayar, elektronik, elektrikli makineler ve otomotivle ilgili ürünler için geniş bir bileşen yelpazesi üretmek için AR-GE ve yenilikçi tasarıma odaklanmaktadır.

PINGOOD, gelişmiş CNC işleme ile yüksek kaliteli işlenmiş plastik parçalar ve donanım sağlamaktadır ve 40 yıllık deneyimle her müşterinin ihtiyaçlarını karşılamayı garanti eder.

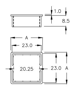
Toz Kapağı

HKA-20A

Toz Kapağı HKA-20A
Toz Kapağı HKA-20A

*Toz veya yabancı maddeleri önlemek için bir kapak.

Özellikler

  • Sunucu gücü üzerindeki veri taşıma bağlantı noktası için Toz Kapağı

Özellikler

  • MALZEME: NYLON 66(UL)
  • ALEV SINIFI: 94V-2
  • RENK: DOĞAL
PARÇA NOAPAKET
HKA-20A
25.0
200
Dosyaları İndir


Basın Bildirisi