フラットケーブルクランプ
FCM-30
*ケーブルの管理と固定に使用します。
特長
- 粘着式デザイン、シャーシ上の穴不要。
- フラットケーブルを固定するために使用します。
- M3ねじでも固定できます。
仕様
- 素材: ナイロン66 (UL)
- 難燃クラス: 94V-2
- 色: ナチュラル
- 接着テープ: 3M
- M3ネジでも固定できます
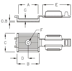
| 部品番号 | A | B | C | D | E | F | G | 適合 ケーブル | パッケージ |
| FCM-26AM | 26.6 | 29.7 | 25.0 | 14.85 | 37.9 | Ø3.8 | 3.0 | 16ピン | 100 |
| FCM-30 | 30.5 | 34.5 | 25.4 | 17.5 | 42.0 | Ø3.8 | 3.1 | 24 PIN | |
| FCM-31 | 26.8 | 30.7 | 25.4 | 15.5 | 38.5 | Ø3.65 | 3.0 | 16ピン |
- ファイルのダウンロード





