LEDハウジング | プラスチックLEDハードウェアメーカー | PINGOOD

LEDハウジング 2LED-3N | PINGOOD ENTERPRISE CO., LTDは、1982年以来、世界中のお客様に向けてプラスチック機械部品に特化したプロフェッショナルなリーディングメーカーです。

スペーサーサポート(SUP-23A)

スペーサーサポート(SUP-23A)

基板間のスペースとサポートを提供し、基板をシャーシや他の基板と接合します。

もっと
カヌークリップ(MBT-06)

カヌークリップ(MBT-06)

フラットヘッドデザイン、簡単な組み立て。

もっと

LEDハウジング | プラスチックLEDハードウェアメーカー | PINGOOD

PINGOOD ENTERPRISE CO., LTD.は1982年以来、台湾を拠点にプラスチック機械部品の製造メーカーとして活動しています。主なプラスチック機械部品には、LEDハウジング、回転減衰器、プッシュラッチ、スペーサーサポート、プラスチックファスナー、ケーブルクランプとケーブルマウント、LEDライトトランスポーターとLEDライトハードウェア、ストレインリリーフブッシング、ライトパイプ、ワイヤーサドルとプラスチックシリコンゴムフットが含まれており、RoHS、REACH基準を満たし、効果的な炭素/GHG排出量の検証が行われています。

PINGOODは、40年以上の経験を持ち、コンピュータ、電子機器、電気機械、自動車関連製品に応用される幅広いコンポーネントを生成するために、研究開発と革新的なデザインに集中しています。

PINGOODは、高品質の加工プラスチック部品とハードウェアを顧客に提供しており、高度なCNC加工と40年の経験により、各顧客のニーズを満たすことを保証しています。

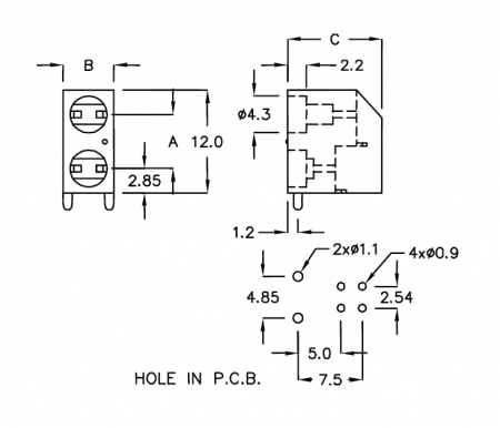
LEDハウジング

2LED-3N

LEDハウジング 2LED-3N
LEDハウジング 2LED-3N

特長

  • 基板上にスタンドLEDランプを設置します。

仕様

  • 材料:ナイロン66(UL)
  • 炎のクラス: 94V-0/94V-2
  • 色: ブラック
Ø3 2PIN LED用
部品番号ABCパッケージ
2LED-3N
6.3
5.9
11.0
500


プレスリリース