Fan Snap Rivet 風扇鉚釘

產品類別: 塑膠緊固件、塑膠扣具件 / 品固集團成立已邁入四十年,深切了解永續經營的動力來自於不斷創新,唯有不斷的提供高品質及價格合理之產品,才能與客戶共創雙贏的事業優勢。

PCB板間隔柱 (SUP-23A)

PCB板間隔柱 (SUP-23A)

板間隔柱用來支撐PC板,提供板間之距離及空間。

更多
鉚釘(MBT-06)

鉚釘(MBT-06)

平頭設計,方便組裝及拆除。

更多

品固 Fan Snap Rivet 風扇鉚釘服務簡介

品固企業股份有限公司是台灣一家擁有超過40年經驗的專業Fan Snap Rivet 風扇鉚釘生產製造服務商。 我們成立於西元1982年, 在電子、電腦、汽車等塑膠零組件領域上, 品固提供專業高品質的Fan Snap Rivet 風扇鉚釘製造服務, 品固 總是可以達成客戶各種品質要求。

Fan Snap Rivet 風扇鉚釘

SRH-3M

產品類別: 塑膠緊固件、塑膠扣具件

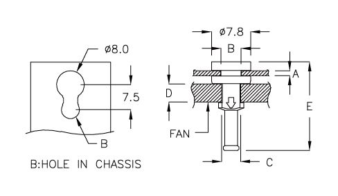
Fan Snap Rivet 風扇鉚釘 SRH-3M
Fan Snap Rivet 風扇鉚釘 SRH-3M

產品特性

  • 平頭設計,以拉拔方式組裝
  • 不需組裝工具
  • 一件式設計,以軟質復合材質製作,具防震功能

產品規格

  • MATERIAL: SILICONE
  • COLOR: BLACK
PART NOA
CHASSIS THICKNESS
B
HOLE IN CHASSIS
C
HOLE IN FAN
D
FAN CHASSIS THICKNESS
EPACKAGE
SRH-3M1.0Ø4.0Ø3.54.017.72000
附件下載


活動訊息