Spacer Support 板間隔柱

Spacer Support PCB板間隔柱 FKK-6RC / 品固集團成立已邁入四十年,深切了解永續經營的動力來自於不斷創新,唯有不斷的提供高品質及價格合理之產品,才能與客戶共創雙贏的事業優勢。

PCB板間隔柱 (SUP-23A)

PCB板間隔柱 (SUP-23A)

板間隔柱用來支撐PC板,提供板間之距離及空間。

更多
鉚釘(MBT-06)

鉚釘(MBT-06)

平頭設計,方便組裝及拆除。

更多

品固 Spacer Support 板間隔柱服務簡介

品固企業股份有限公司是台灣一家擁有超過40年經驗的專業Spacer Support 板間隔柱生產製造服務商。 我們成立於西元1982年, 在電子、電腦、汽車等塑膠零組件領域上, 品固提供專業高品質的Spacer Support 板間隔柱製造服務, 品固 總是可以達成客戶各種品質要求。

Spacer Support 板間隔柱

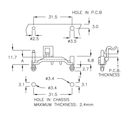
FKK-6RC

Spacer Support PCB板間隔柱 FKK-6RC
Spacer Support PCB板間隔柱 FKK-6RC

柱高(A) 6.1mm
請參考下方表格,可依照客戶的實際需求客製化

產品特性

  • 用以連結PC板
  • 支撐PC板,提供板間之距離及空間
  • 兩邊雙插頭設計,安裝簡易快速

產品規格

  • MATERIAL: NYLON66 (UL)
  • FLAME CLASS: 94V-2
  • COLOR: NATURAL, BLUE
PART NO A

T

P.C.B

THICKNESS

PACKAGE
FKK-6RC
6.1
1.4~1.6
200

活動訊息