Rotary Damper 塑膠阻尼器
PG-3AS
產品特性
- 提供平順之機械作動功能減緩速度,
- 避免易碎之面板蓋,門於開啟,閉合時因力道過大受損,延長產品壽命
- 減低作動時的噪音高品質矽膠油以超音波技術密封,提供穩定之扭力
- 搭配作動式扣具使用,可提升產品價值扭力可依客戶需求,於特定範圍內客製化處理
- 適合應用家電產品之面板蓋,門,如電視,錄影機,CD撥放機,汽車之煙灰缸,杯架,家具之抽屜,滑門,垃圾桶,小型盒子等
產品規格
- MATERIAL: ABS, POM
- COLOR: BLACK
- TORQUE VALUE CAN BE CUSTOMIZED PER CUSTOMERS' DEMAND
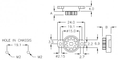
| PART NO | PITCH DIAMETER | MODULE | TOOTH NUMBER | PRESSURE ANGLE | A | B | TORQUE(gf-cm) | PACKAGE |
| PG-3AS | Ø8.8 | 0.8 | 11 | 20° | 3.0 | 7.5 | 15 | 500 |
| PG-3MS | Ø10.4 | 0.8 | 13 | 20° | 3.0 | 7.5 |
- 附件下載





