Flat Cable Clamp 排線固定板
FCM-30
產品特性
- 背膠式設計,板上無需鑽孔
- 用以固定排線
- 可用M3螺絲固定
產品規格
- MATERIAL: NYLON66 (UL)
- FLAME CLASS: 94V-2
- COLOR: NATURAL
- ADHESIVE TAPE: 3M
- ALSO CAN BE FASTENED WITH M3 SCREW
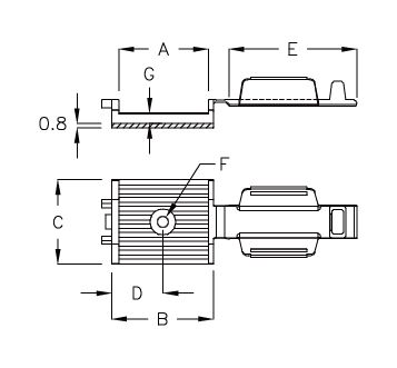
| PART NO | A | B | C | D | E | F | G | SUITABLE CABLE | PACKAGE |
| FCM-26AM | 26.6 | 29.7 | 25.0 | 14.85 | 37.9 | Ø3.8 | 3.0 | 16 PIN | 100 |
| FCM-30 | 30.5 | 34.5 | 25.4 | 17.5 | 42.0 | Ø3.8 | 3.1 | 24 PIN | |
| FCM-31 | 26.8 | 30.7 | 25.4 | 15.5 | 38.5 | Ø3.65 | 3.0 | 16 PIN |
- 附件下載





