LED Housing Ø5, Ø3, 2 pin LED座

LED Housing Ø5,Ø3, 2pin LED座 LED-2F / 品固集團成立已邁入四十年,深切了解永續經營的動力來自於不斷創新,唯有不斷的提供高品質及價格合理之產品,才能與客戶共創雙贏的事業優勢。

PCB板間隔柱 (SUP-23A)

PCB板間隔柱 (SUP-23A)

板間隔柱用來支撐PC板,提供板間之距離及空間。

更多
鉚釘(MBT-06)

鉚釘(MBT-06)

平頭設計,方便組裝及拆除。

更多

品固 LED Housing Ø5, Ø3, 2 pin LED座服務簡介

品固企業股份有限公司是台灣一家擁有超過40年經驗的專業LED Housing Ø5, Ø3, 2 pin LED座生產製造服務商。 我們成立於西元1982年, 在電子、電腦、汽車等塑膠零組件領域上, 品固提供專業高品質的LED Housing Ø5, Ø3, 2 pin LED座製造服務, 品固 總是可以達成客戶各種品質要求。

LED Housing Ø5, Ø3, 2 pin LED座

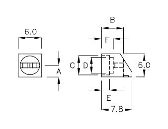
LED-2F

LED Housing Ø5,Ø3, 2pin LED座 LED-2F
LED Housing Ø5,Ø3, 2pin LED座 LED-2F

產品特性

  • 使LED燈立於PC板上
  • 將LED燈墊高
  • 適用5mm,3mm 2腳 LED燈
  • 直角組裝設計

產品規格

  • MATERIAL: NYLON66 (UL)
  • FLAME CLASS: 94V-2
  • COLOR: NATURAL, BLACK
  • BUILD-IN CLAMP FUNCTION
FOR Ø5, Ø3 2PIN LED
PART NOABCDEFPACKAGE
LED-2F3.05.6Ø5.0Ø4.12.03.51000

附件下載


活動訊息