Wire Mount 電線固定座

電線固定板 Wire Mount CMR-8GH / 品固集團成立已邁入四十年,深切了解永續經營的動力來自於不斷創新,唯有不斷的提供高品質及價格合理之產品,才能與客戶共創雙贏的事業優勢。

PCB板間隔柱 (SUP-23A)

PCB板間隔柱 (SUP-23A)

板間隔柱用來支撐PC板,提供板間之距離及空間。

更多
鉚釘(MBT-06)

鉚釘(MBT-06)

平頭設計,方便組裝及拆除。

更多

品固 Wire Mount 電線固定座服務簡介

品固企業股份有限公司是台灣一家擁有超過40年經驗的專業Wire Mount 電線固定座生產製造服務商。 我們成立於西元1982年, 在電子、電腦、汽車等塑膠零組件領域上, 品固提供專業高品質的Wire Mount 電線固定座製造服務, 品固 總是可以達成客戶各種品質要求。

Wire Mount 電線固定座

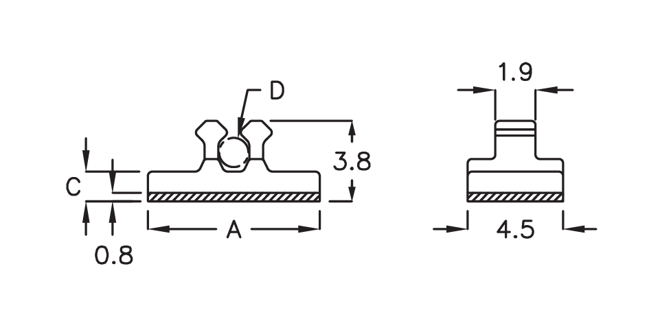
CMR-8GH

電線固定板 Wire Mount CMR-8GH
電線固定板 Wire Mount CMR-8GH

產品特性

  • 背膠式設計,板上無需鑽孔
  • 適用於板沿
  • 背膠可依需求更換

產品規格

  • MATERIAL: NYLON66 (UL)
  • FLAME CLASS: 94V-0/94V-2
  • COLOR: NATURAL
  • ADHESIVE TAPE: 3M
PART NO A C D PACKAGE
CMR-8GH
8.1
1.4
Ø1.38
2000

活動訊息