Wire Saddle 隔離束線座

Wire Saddle 隔離束線座 ABF-34DM / 品固集團成立已邁入四十年,深切了解永續經營的動力來自於不斷創新,唯有不斷的提供高品質及價格合理之產品,才能與客戶共創雙贏的事業優勢。

PCB板間隔柱 (SUP-23A)

PCB板間隔柱 (SUP-23A)

板間隔柱用來支撐PC板,提供板間之距離及空間。

更多
鉚釘(MBT-06)

鉚釘(MBT-06)

平頭設計,方便組裝及拆除。

更多

品固 Wire Saddle 隔離束線座服務簡介

品固企業股份有限公司是台灣一家擁有超過40年經驗的專業Wire Saddle 隔離束線座生產製造服務商。 我們成立於西元1982年, 在電子、電腦、汽車等塑膠零組件領域上, 品固提供專業高品質的Wire Saddle 隔離束線座製造服務, 品固 總是可以達成客戶各種品質要求。

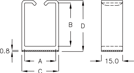
Wire Saddle 隔離束線座

ABF-34DM

Wire Saddle 隔離束線座 ABF-34DM
Wire Saddle 隔離束線座 ABF-34DM

產品特性

  • 固定電線

產品規格

  • MATERIAL: NYLON 66(UL)
  • FLAME CLASS: 94V-0
  • COLOR: BLACK
  • ADHESIVE TAPE: 3M
PART NOABCDPACKAGE
ABF-34DM
36.0
29.1
40.0
34.7
100
ABF-36CK
22.0
30.7
26.0
36.3

活動訊息