케이블 클램프 | 플라스틱 LED 하드웨어 제조업체 | PINGOOD

케이블 클램프 FCWA-65KC | ['핑굿 엔터프라이즈'] CO., LTD는 1982년부터 전 세계 고객을 위해 플라스틱 기계 부품에 특화된 전문 선도 제조업체입니다.

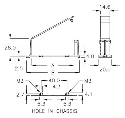
스페이서 지지대 (SUP-23A)

스페이서 지지대 (SUP-23A)

회로 기판 간의 공간과 지지를 제공하며, 기판을 샤시나 다른 기판과 연결합니다.

카누 클립 (MBT-06)

카누 클립 (MBT-06)

평평한 머리 디자인, 쉬운 조립.

케이블 클램프 | 플라스틱 LED 하드웨어 제조업체 | PINGOOD

1982년 이래로 대만에 본사를 둔 PINGOOD ENTERPRISE CO., LTD.는 플라스틱 기계 부품 제조업체입니다.그들의 주요 플라스틱 기계 부품에는, 케이블 클램프, 회전 감속기, 푸시 래치, 스페이서 서포트, 플라스틱 고정장치, 케이블 클램프 및 케이블 마운트, LED 라이트 전송기 및 LED 라이트 하드웨어, 스트레인 리프 부싱, 라이트 파이프, 와이어 새들 및 플라스틱 실리콘 고무 발판이 포함되어 있으며, RoHS, REACH 기준을 충족하며 효과적인 탄소/GHG 배출 검증을 갖추고 있습니다.

PINGOOD는 40년 이상의 경험을 바탕으로 컴퓨터, 전자, 전기 기계 및 자동차 관련 제품에 적용되는 다양한 구성품을 연구 개발 및 혁신 디자인에 집중하고 있습니다.

PINGOOD는 고객에게 고급 CNC 가공과 40년의 경험을 바탕으로 고품질의 가공 플라스틱 부품과 하드웨어를 제공하며, 각 고객의 요구 사항을 충족시킵니다.

케이블 클램프

FCWA-65KC

케이블 클램프 FCWA-65KC
케이블 클램프 FCWA-65KC

특징

  • 케이블을 단단히 고정하기 위한 나사 마운트.

사양

  • 재질: NYLON 66(UL)
  • 난연 등급: 94V-2
  • 색상: 블랙

잠금 기능 포함

부품 번호AB패키지
FCWA-65KC65.182.1100
파일 다운로드


보도 자료